-
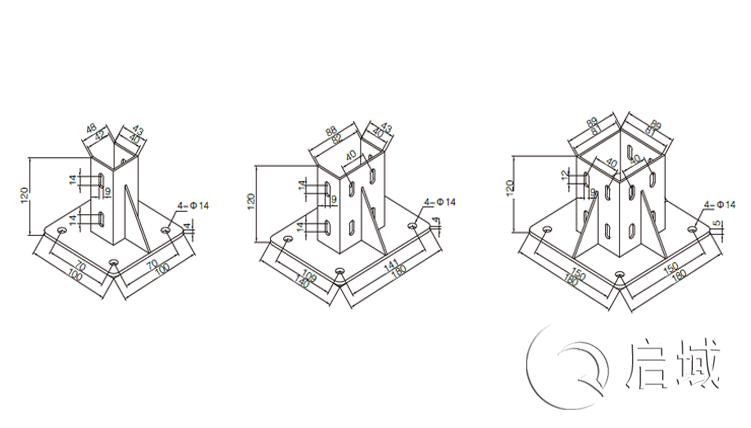
QY-方形地腳
貨號:QY方形地腳
材料:鑄鋼,表面烤漆
規格:4040 4080 4545
用途:用于鋁型材與地面連接,固定到地面上全國服務熱線:400-096-5058







|
上海啟域金屬制品有限公司 咨詢熱線:400-096-5058
021-67658689轉8003
手機:13816329895
傳真:021-67658536 郵箱:info@qiyu999.com 地址:上海市松江區車墩工業區泖亭路1056號 |
|
采購:QY-方形地腳
- *聯系人:
- *手機:
- 公司名稱:
- 郵箱:
- *采購意向:
-
*驗證碼:
跟此產品相關的產品 / Related Products
聯系啟域
服務熱線400-096-5058
- 手機:13816329895
- 傳真:021-67658536
- 郵箱:info@qiyu999.com
- 地址:上海市松江區車墩工業區泖亭路1056號


滬公網安備31011702001213號
掃一掃,關注手機站