-
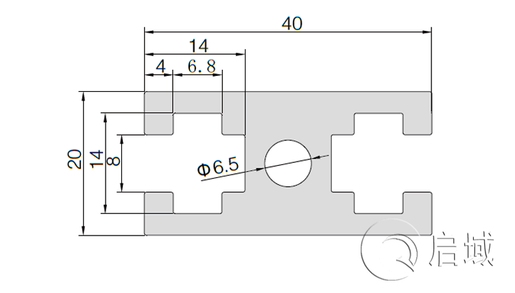
鋁型材 QY-8-2040G
材料:鋁合金
Material Aluminum(6063-T5)
單位質量Weight:1.43kg/m
長度Length:6.01m
用途:多用于制作門、窗邊框全國服務熱線:400-096-5058







|
上海啟域金屬制品有限公司 咨詢熱線:400-096-5058
021-67658689轉8003
手機:13816329895
傳真:021-67658536 郵箱:info@qiyu999.com 地址:上海市松江區車墩工業區泖亭路1056號 |
|
采購:鋁型材 QY-8-2040G
- *聯系人:
- *手機:
- 公司名稱:
- 郵箱:
- *采購意向:
-
*驗證碼:
跟此產品相關的產品 / Related Products

- QY-內置連接件
- 貨號:QY-內置連接件
材料:碳鋼
規格:30 40 45
用途:當型材十字連接時或直角連接時均可選用該連接件

- 鋁型材 QY-8-4040GA
- 材料:鋁合金
Material Aluminum(6063-T5)
單位質量:1.48kg/m
長度:6.01m
集合慣性:1x:9.25 cm4 1y:9.25cm4
截面慣性:Zx:4.86cm3 Zy:4.86cm3

- 鋁型材 QY-8-1640
- 材料:鋁合金
Material Aluminum(6063-T5)
單位質量:1.38kg/m
長度:6.01m
集合慣性:1x:7.26 cm4 1y:1.13cm4
截面慣性:Zx:3.62cm3 Zy:1.42cm3
聯系啟域
服務熱線400-096-5058
- 手機:13816329895
- 傳真:021-67658536
- 郵箱:info@qiyu999.com
- 地址:上海市松江區車墩工業區泖亭路1056號


滬公網安備31011702001213號
掃一掃,關注手機站