-
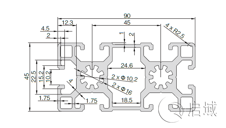
鋁型材 QY-10-4590B
材料:鋁合金
Material Aluminum(6063-T5)
單位質量Weight:3.9kg/m
長度Length:6.0m
集合慣性 Mass of lnertia:
lx:103.15cm4 ly:26.60 cm4
截面慣性 Section modulus:
Zx:22.40 cm3 Zy:11.20 cm3全國服務熱線:400-096-5058







|
上海啟域金屬制品有限公司 咨詢熱線:400-096-5058
021-67658689轉8003
手機:13816329895
傳真:021-67658536 郵箱:info@qiyu999.com 地址:上海市松江區車墩工業區泖亭路1056號 |
|
采購:鋁型材 QY-10-4590B
- *聯系人:
- *手機:
- 公司名稱:
- 郵箱:
- *采購意向:
-
*驗證碼:
跟此產品相關的產品 / Related Products
聯系啟域
服務熱線400-096-5058
- 手機:13816329895
- 傳真:021-67658536
- 郵箱:info@qiyu999.com
- 地址:上海市松江區車墩工業區泖亭路1056號


滬公網安備31011702001213號
掃一掃,關注手機站