用鋁型材加工成雕刻機使用的鋁型材,也稱為雕刻機鋁材。那么可以用哪些規格的鋁型材加工成雕刻機呢?我們今天就來給大家講解一下。
在啟域有3種規格的鋁型材可以用來制作雕刻機。一是國標1560鋁型材。屬于6mm槽寬的工業鋁型材系類。適用于輕型結構的框架組合。應用于雕刻機、滑軌工作臺面等。下圖為國標1560鋁型材。
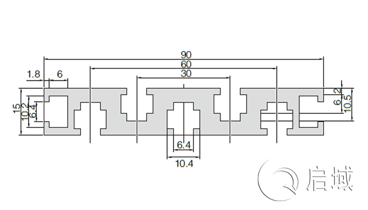
二是國標1590鋁型材。也是屬于6mm槽寬的工業鋁型材系列。適用于輕型結構的框架組合。應用于雕刻機、滑軌工作臺面等。下圖為國標1590鋁型材截面圖。
三是國標2080鋁型材,屬于8mm槽寬的工業鋁型材系列。適用于應力及強度較大的框架組合結構,應用于雕刻機、滑軌工作臺面等。表面經過陽極氧化銀白處理,高雅美觀并抗腐蝕。下圖為國標2080鋁型材。
綜合上述內容,大家有沒有發現,適用于雕刻機鋁型材的規格皆是國標鋁型材。可能是因為國標鋁型材四四方方的比較適合雕刻機的制作。而且雕刻機使用的鋁型材規格也不是很大。所以大家在選擇的時候注意一下就可以了。如果您有需要的話,記得來聯系上海啟域金屬哦。




滬公網安備31011702001213號
掃一掃,關注手機站