工業鋁型材的承重是選型的依據,根據不同的承重需求來定制不同類型的框架結構。那么工業鋁型材的承重是由哪些因素決定的呢?下面小編就結合圖紙給大家講解一下。
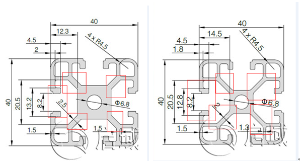
那如果四個筋的厚度是一樣的兩款鋁型材,其承重大小該如何比較呢?我們先來看一下下面的這兩張圖,筋厚是一樣的,都是2.5mm,但是兩款4040鋁型材的槽寬不一樣,一個是8.2mm,一個是10.2mm,由于10.2mm的槽寬導致使用的原材料變少了,所以米重就會變少,其承重也跟著變小。由此可以說鋁型材的槽口寬度也會決定其承重范圍。
比較兩款鋁型材的承重,大家可以借鑒以上兩種方法,不過以上兩個承重影響因素只適合于同系列的鋁型材,不同系列的鋁型材按照規格越大承重越大的原則。
以上就是小編講的內容了,有什么不明白的地方,記得來咨詢上海啟域金屬哦。10余年工業鋁型材廠家,提供選型指導和安裝指導,技藝嫻熟,經驗豐富,歡迎咨詢。
那如果四個筋的厚度是一樣的兩款鋁型材,其承重大小該如何比較呢?我們先來看一下下面的這兩張圖,筋厚是一樣的,都是2.5mm,但是兩款4040鋁型材的槽寬不一樣,一個是8.2mm,一個是10.2mm,由于10.2mm的槽寬導致使用的原材料變少了,所以米重就會變少,其承重也跟著變小。由此可以說鋁型材的槽口寬度也會決定其承重范圍。
比較兩款鋁型材的承重,大家可以借鑒以上兩種方法,不過以上兩個承重影響因素只適合于同系列的鋁型材,不同系列的鋁型材按照規格越大承重越大的原則。
以上就是小編講的內容了,有什么不明白的地方,記得來咨詢上海啟域金屬哦。10余年工業鋁型材廠家,提供選型指導和安裝指導,技藝嫻熟,經驗豐富,歡迎咨詢。




滬公網安備31011702001213號
掃一掃,關注手機站