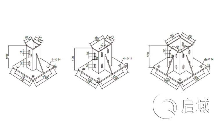
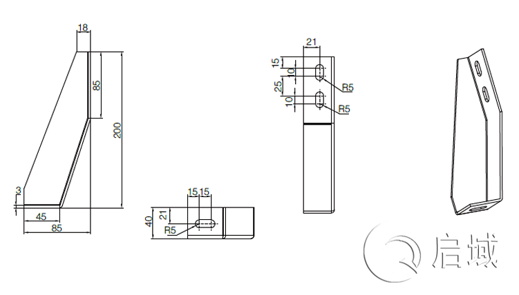
工業鋁型材該如何安裝地腳呢?回答這個問題要了解什么地腳?它的作用是什么?工業鋁型材的地腳連接件分為通用型地腳角件和方形地腳角件。通用型的地腳角件分左右,通常一左一右搭配著用;方形地腳角件的規格有很多種,比如:3030,4040,4080,等。可根據客戶使用型材大小定制。下圖分別為方形地腳角件和通用型地腳角件。
其實不管是通用型的地腳角件和方形地腳角件,用途是一樣的,適用于型材支架的地腳支撐,需要根據型材的尺寸選定大小,連接用螺栓,螺母及膨脹螺栓。目的是把鋁型材固定住在一個地方,不能隨意的搬動,這也是它與蹄角的主要區別。通過作用就可以看出來安裝地腳是很方便的。把地腳的一端固定在鋁型材上,另一端固定在地面上就可以了。前提選好螺栓螺母,鋁型材和固定的場地。
上海啟域是生產鋁型材及鋁型材配件的廠家。我們有技術團隊可以指導客戶如何的選擇和安裝適合的鋁型材及鋁型材配件。也可以根據客戶不同的需求設計加工制造各種規格的鋁型材及配件。如果您還想了解其他的,您可以撥打我們的電話:021-67658689。
《該文章來源于上海啟域金屬有限公司 網址:http://www.pt-tour.cn/轉載請注明》
下一篇:鋁型材框架—L型連接板連接上一篇:上海啟域鋁型材工作臺加工廠家




滬公網安備31011702001213號
掃一掃,關注手機站